Firstly a little technical explanation so that we can understand
why the repair had such a dramatic effect.
What is a turbo anyway?
A turbocharger is a device that creates more power in your engine by compressing
air into the engine intake manifold. Only air alone would not give more power so
the PCM (Powertrain Control Module) takes care of adding extra fuel needed to
maintain the ideal mixture ratio.
How does this turbo work?
In a nutshell: A turbo consist of two main parts. First there is the turbine
that is driven by exhaust gas. Secondly there is a compressor coupled with the
turbine through its axis. This compressor pulls the air through the air filter,
through the MAF which measures the quantity on air flowing, to the
compressor-entrance and pushes it through an air-air intercooler (a simple
radiator) to the inlet manifold.

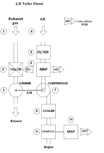
Let us follow the diagram.
Exhaust-gas (1) is driven out of the engine as a result of
combustion. This gas, depending on the position of a control valve (2) directed
through the turbine (3) (or the turbine is bypassed and the gas is directed
directly to the exhaust system).
The control valve is controlled by the PCM (in my TDi with help from a vacuum
valve).
The incoming air (4) passes through the air filter (5) and the volume is
measured with the MAF (Mass Airflow which measures the cooling effect on a hot
wire to determine the amount of air) (6). (see
www.fordscorpio.co.uk/cleanmaf.htm). The condition of the MAF is crucial
because this device helps the PCM determine the amount of fuel that is required
to burn at the correct fuel/air ratio and thus the amount of fuel that has
to be injected.
From the MAF, the air goes through a hose to the compressor (7). As the air
passes through the compressor it heats up (the turbine is being heated to red
hot by the hot exhaust gas) and hot air is less dense than cold air and it is
therefore cooled down by the intercooler (8). From there it is directed through
a rubber hose to the inlet manifold (9) and then into the engines combustion
chambers.
In the inlet manifold is a connection to a small rubber hose which connects to
the MAP (Manifold absolute pressure) which measures the air pressure in the
inlet manifold. This pressure reading is translated into an electrical voltage
that is input to the PCM. Based upon this information, extra fuel is injected
which in conjunction with the extra air being forced in by the compressor
generates additional engine power. In turn, more air and fuel generates more
exhaust gas which spins the turbine faster which pushes more air into the inlet
etc in a continuous loop. At the point where the inlet manifold pressure reaches
a predetermined limit set by the engine manufacturer, the control valve (2)
opens, releasing some of the air back into the exhaust system, bypassing the
engine completely.
What are the important points in this system?
1. A good quality clean air filter is always important. Never run without an
air filter because sand and so on in the air will destroy the MAF, the
compressor and cause excess cylinder wear. A dirty filter will not pass enough
air and may cause the hoses to collapse, will starve the engine of air resulting
in lots of black smoke and no power .
2. A clean MAF; the sensor-wires should be clean to be able to measure the right
airflow.
3. The hoses should be connected tightly, there should not be any leakage
because the engine would receive less air than the PCM expects.

Problem: loss of power in a 2.5 TD
The symptoms that were noticed:
no power for overtaking
slow acceleration up to 70 mph
no noticeable kick in your back at 2200 revs when the turbo should come in
Diagnosis:
There was no excessive exhaust smoke whatsoever. Sure, if you I kicked down
the accelerator there will be some black smoke but not during normal driving -
implied that the turbocharger was probably OK.
I tested that the turbocharger was doing it's job because I used a bicycle pump
gauge to see positive pressure - not accurate but good enough. I connected it to
the small hose from the inlet manifold
When I pulled out this hose some sort of liquid poured out - possibly water?
Rapid pumping of the accelerator gave some extra power.
Conclusion:
The engine didn’t seem to be getting enough fuel.
Next step in diagnosis: check the MAP. The outer two of the three connections on
the MAP return an electrical signal that is inversely proportional to the
pressure.
With the engine at idle or with 3000 revs it returned the same signal even
though the pressure was quite different.
So, I ordered for a new MAP Sensor (BOSCH 0 281 002 122)
The Ford Main Dealer wanted €151 excl. 19% VAT (about £105+vat) excluding
installation and testing and resetting the PCM.
Fortunately I found that Brezan, a general car parts shop had one for €131
(about £90) (including vat) and installation is a less than a 5 minute job. I
tested by driving home from the shop and resetting the computer?? It works quite
well, so whats to reset??
I have to admit that the Main dealer said he did not know whether or not the
computer had to be reset. But even that is a problem because he doesn’t know, he
takes the time to do it and it is not necessary. And who pays the bill?
I took some measurements on the new MAP: with 1000 revs it gave 3.06 volt and
with 3000 revs it was 2.70 volt on the outer connections of the plug to the MAP
(colours: white/red and yellow/red).
To get to these contacts I put two thin flexible wires in the plug next to the
contacts and put the MAP on the connector. Be patient with this and be careful
not to short-circuit the connections!
The car now drives better than before and is much smoother in acceleration.