Last update:

11/12/2006

  EGR Monitor

About Us Useful Links Forums Mailing List

     
 

Up
Error Code List
OBD2 Abbreviations
Drive Cycle
8V Components
16V Components
24V Components
Misfire Monitor
Catalyst Monitor
HO2S Monitor
EGR Monitor
EVAP Monitor
Fuel Monitor
Component Monitor
OD Light
DTC Codes
Eng Management Manual

 

EXHAUST GAS RECIRCULATION MONITOR

As discussed elsewhere, the Ford Scorpio petrol engines use Exhaust Gas Recirculation to reduce combustion temperatures in the cylinders at part-throttle and this reduces the production of Nitrogen Oxide gas to levels manageable by the Catalyst so that very little escapes to atmosphere.

The EGR system is controlled directly by the PCM. EGR is not engaged when:

bullet

The engine is cold. 

bullet

At very low ambient temperatures, sensed though the ECT and/or the IAT. Water vapour in the exhaust can freeze on the throttle plate if the EGR valve opens in these conditions.

bullet

The engine is at idle.

bullet

The engine is at WOT

In addition, EGR is reduced when:

bullet

the engine is under load, reducing further under greater load until EGR is zero.

bullet

as a function of BAROmetric air pressure - the higher the altitude the less pressure is available to operate the EGR valve.

SCORPIO DPF EXHAUST GAS RECIRCULATION
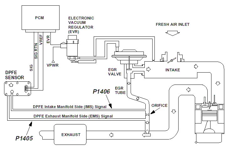
The OBD2 EGR system used on the Scorpio petrol models uses the latest Differential Pressure Feedback EGR, so that the actual amount of exhaust gas entering the inlet manifold is measured. The ignition advance on the system is therefore based on actual gas flow and is always accurate, even if the EGR system fails.

The EGR is a pipe open between the exhaust manifold and an EGR valve mounted in the inlet manifold. The EGR valve is a poppet valve held closed by spring pressure. On command from the PCM, the poppet valve is lifted by vacuum pressure from the Electronic Vacuum Regulator (EVR) allowing exhaust gas to enter the inlet system by its own pressure, replacing some of the oxygen in the inlet manifold and lowering combustion temperatures. This EGR valve is a duty-cycled valve, meaning that it has a variable opening and closing, controlled by the EVR, to provide the required gas flow.

Unlike earlier systems, OBD2 actually reads the volume of gas entering the inlet manifold so that precise adjustments can be made to ignition timing. This is achieved by a restriction (orifice) in the EGR pipe itself that causes a venturi effect. A pipe on each side of this orifice leads to the DPFE which samples the pressure each side of the venturi. It is the pressure differential between the upside and the downside of the orifice from which the PCM can compute the gas flow through the EGR pipe and make the accurate adjustments to engine operation.

Below is the schematic of the DPFE system illustrating its operation:

In the schematic the PCM has commanded the EVR to open the EGR valve to vacuum from the inlet manifold, and the EGR poppet valve is open, providing a flow of exhaust gas into the inlet manifold. The DPFE sensor is sampling the gas flow and returning a reading to the PCM, which can vary the opening of the EGR valve by varying the voltage to the EVR while making adjustments to the timing of the ignition.

DPFE MONITOR
The method that OBD checks the DPFE system is as follows:

Circuit Checks  

Fail?

Set DTCs P1400, P1401 or P1409
Pass, then Stuck Open Checks  

Fail?

Set DTCs P0402
Pass, then Hose Test  

Fail?

Set DTC P1405, P1406
Pass, then Flow Test  

Fail?

Set DTC P1401 or P1408
Pass - Monitor Complete  

Circuit Checks
This test is carried out constantly while the DPFE Monitor is running and takes a four second sample.

The DPFE sensor is tested for out of range values (typically >4.96 volts, <0.195 volts) and if this is detected the DTC P1400 or P1401 is set.

The EVR Output circuit is checked for opens and short using the internal smart driver in the PCM, and a failure records P1409.

_____________________________________________________

Stuck Open Test
Next, whenever at idle, the PCM checks the voltage of the DPFE sensor and compares it with the voltage recorded by the PCM during the last Key On Engine Off state.

If the voltage is different this indicates a gas flow where none should exist, and the PCM stores the DTC P0402 EGR Flow Excessive Gas Detected. This can cause confusion: in this context excessive flow means there is a flow where none should be detected, ie, the EGR poppet valve has stuck open.

NOTE: When the EGR pipe is secure this is an effective test for the poppet valve in the EGR. Be aware however that if the EGR pipe is loose at the EGR end and exhaust gas can escape, then P0402 will be stored. The system has detected a gas flow but not through the EGR valve - gas is escaping from the pipe union with the EGR.

_________________________________________________________

Hose Test
Next, the DPFE Monitor will check the integrity of the DPFE signal hoses. The test is run during a period of acceleration, when the PCM commands the EGR valve to close momentarily, and then checks the DPFE signal for a voltage consistent with zero flow. A voltage increase or decrease during acceleration indicates a fault with the hoses during this test.

This will generate the following DTCs, 

P1405 DPFE sensor Upstream hose off or plugged

P1406 DPFE sensor Downstream hose off or plugged.

NOTE: plugged in this context means blocked. This could either be an intentional plugging, blockage by foreign matter, kinking or melting which stops the gas flow. It is not difficult for work on the engine to knock off a sensor pipe either. 

Not all applications use the P1406 code. In these vehicles the error code P1401 is recorded instead.

_______________________________________________________

Flow Checks
Now the system checks the EGR for correct gas flow. During steady state driving with moderate loads and engine speeds the EVR duty cycle (operating rate) will keep increasing until the sufficient flow rate is produced. If the EVR duty cycle reaches 80% (ie 80% open) the PCM checks the DPFE sensor voltage with a table in memory to check that the gas flow is within parameters. If the voltage is too high it indicates that there is insufficient gas flow, and this stores the DTCs

P1401 EGR Insufficient Gas FLow detected.

P1408 EGR Flow out of self-test Range. (This is a KOER self test, rather than an EGR Monitor code.)

This is a functional test and will record a DTC for any flow restriction or incorrect DPFE signal.

 

Note: P0401 may also be generated for a hose off error, or if the DPFE sensor is failing because its voltage will not match the expected response stored in the PCM.

An open in the VREF wire also causes a P0401 since the voltage does not match the expected response.

______________________________________________

SPECIAL CONDITIONS
The exhaust system contains a great deal of moisture as a result of the process of combustion. In very low ambient temperatures this moisture can freeze inside the EGR system hoses, pipe and the DPFE sensor and cause a DTC code. For this reason the following logic is used:

Ambient Temperature above 32°F: if a system malfunction is detected the EGR system and Monitor is disabled for the current driving cycle. A DTC is stored. The MIL light is illuminated if an error is detected on three consecutive drive cycles (no MIL light on the Scorpio.)

Ambient Temperatures below 32°F: if a system malfunction is detected only the EGR system is disabled for the current driving cycle. The EGR Monitor continues to run but a DTC is not stored. If the EGR Monitor detects that the system is restored (ie, the ice has melted) then the EGR system is re-enabled.

For sensor testing see EGR Sensors.

_______________________________________________

DRIVEABILITY CONCERNS
In normal operation the EGR system should be undetected by the owner. If the system fails with the EGR valve closed there will be no driveability concern. No MIL light means that the owner will remain unaware of it. Since emission testing is at idle (when the EGR does not operate) the vehicle will not fail the MOT.

However, if the system is not gas-tight then air can be drawn into the inlet system instead of inert gas. This can weakens the mixture sufficiently to cause misfiring, and manifests itself as a noticeable misfire/hesitation at speed and light throttle, not present when accelerating. If the leak is serious enough it may manifest itself as a hunting/rolling idle, caused by an unmetered leak of air into the inlet.

CATALYST RATTLE
In the event that the ceramic brick in a catalyst breaks and causes a restriction to exhaust gas, the EGR pipes should be checked. This can dislodge the DPFE pipes and cause a DTC.

Diagrams © Ford (Europe)

EricR

 

 

Copyright © 2003 www.fordscorpio.co.uk