Last update:

08/03/2005

  HO2S Monitor

About Us Useful Links Forums Mailing List

 

Up
Error Code List
OBD2 Abbreviations
Drive Cycle
8V Components
16V Components
24V Components
Misfire Monitor
Catalyst Monitor
HO2S Monitor
EGR Monitor
EVAP Monitor
Fuel Monitor
Component Monitor
OD Light
DTC Codes
Eng Management Manual

 

HO2S MONITOR

The HO2S sensors must be tested thoroughly because they are at the heart of the Fuel and Catalyst monitors.

The operation of the Emissions control in OBD depends on the sensors being at proper operating temperature. Both the catalysts and the HO2S sensors need to be at several hundred degrees C before they are working efficiently, so the latter have heaters built in to get them up to operating temperature as soon as possible. Because the HO2S sensors need to operate at near stoichometry they cannot be used when rich fuel/air mixtures are needed and so:

bulletFor 180 seconds from cold start the system is Open Loop - fuelling is arranged as a function of temperature, (ECT, IAT) and air input (MAF) etc, with no reference to stoichometric (lamda) levels.
bulletThe engine is in open loop during WOT (Wide Open Throttle).
bulletWhen the engine is in negative torque (ie overrun, engine being driven by transmission) fuel may not be delivered via the INJectors at all. During such periods fuelling is in Open Loop.

The HO2S sensors are numbered so that the upstream sensor 1 is always on the Bank which contains Cylinder # One. The down stream sensor is numbered 2. Hence the DOHC engine designs contain the HO2S sensors 11 (forward of the Catalyst) and 12 (downstream of the catalyst). 

On the V6 24V the driver's side of the engine contains Cylinder 1, so the configuration is shown here:

HO2S (Hot Oxygen) sensors develop a voltage by comparing oxygen in the atmosphere to the level of oxygen in the exhaust gas. Rather like a battery, the sensor produces a voltage between 0.1 volt and 0.9 volt depending on the amount of Hot Oxygen to which it is exposed in the exhaust stream. In Lean conditions (High in Oxygen, low fuel level) the sensor returns a low voltage because there is less differential between the oxygen in atmosphere, while in Rich conditions, (Low Oxygen, high fuel) it reads high because there is a large differential between the level of oxygen in the exhaust stream and atmosphere. The change between the two readings occurs suddenly in what is known as a 'switch', but this term does not have any electrical connotation. This effect is illustrated in the figure below:

Note that the sensor 'switches' suddenly, depending on the stoichometry of the exhaust gas. The sensor is not measuring the Lamda of the exhaust, but only whether it is Rich or Lean of oxygen - and so the term 'Lamda Sensor' is a misnomer. Its correct name is Heated Oxygen sensor, abbreviated in OBD to HO2S. (the previous term used in OBD I was HEGO, Heated Exhaust Gas Oxygen). The Ford sensors are exactly the same, front and rear, but they have a different colour and connection fitting for warranty purposes. The Front sensors have now been deleted from the Catalogue: only rear sensors are available, which means that new sensors when purchased from a Ford Main Dealer must have the old wiring soldered to the new.

Monitor Conditions
Before the HO2S Monitor can run the following conditions must be met:

bulletShort Term Fuel Trim (RTFT) is +/- 30%
bulletECT shows 150° F (65.5° C) and 240° F (115.5° C)
bulletIAT is less than 140° F (60° C)
bulletengine load is between 20 and 50%
bulletVehicle speed between 30 mph and 65 mph
bulletEngine RPM between 1000 and 2200 rpm
bulletMinimum time of 10 seconds in Closed Loop operation

The HO2S monitor consists of a number of tests.

_____________________________________________

FRONT SENSOR SIGNAL
The Front sensors are tested continuously for switching during Closed Loop operation provided the Conditions are met. Excessive time between switches, or no switches, indicates a malfunction. Since the lack of switching could be caused by fuel trim shifts as well as a sensor malfunction a stored DTC indicates whether the sensor was always indicating lean or rich when it stopped and if the Fuel Trim was at max. 

Where Lack of Switch DTCs are recorded the LT Fuel Trims should be watched closely - if these show well into the negative or positive at idle they could be caused by an air inlet leak or a faulty Fuel Pressure Regulator - meaning that the fuelling has not changed rather than the HO2S not detecting it. Before changing front HO2S sensors Pressure Sensor and Sample Scan first - particularly if there are any starting issues.

DTCs

P1130 - Lack of Switching - Fuel Trim at Clip (no further trim available) Bank 1

P1131 - Lack of Switching - Sensor Indicates Lean, Bank 1

P1132 - Lack of Switching - Sensor Indicates Rich, Bank 1

P1150 - Lack of Switching - Fuel Trim at Clip, Bank 2

P1151 - Lack of Switching - Sensor Indicates Lean, Bank 2

P1152 - Lack of Switching - Sensor Indicates Rich, Bank 2

NOTE In extreme cases where the Front sensor(s) is not switching the Closed Loop operation is never achieved - the system stays on Open Loop fuelling and the DATA page on the Vehicle Explorer will show this. LOOP at PID# 1103 b6 on the Enhanced Data will show OPEN.

Sensors OK
The following sensors have been checked before this sequence and have passed.

bulletIAT - Inlet Air Temperature
bulletECT - Engine Coolant Temperature
bulletMAF - Mass Air Flow Sensor
bulletTPS - Throttle Position Sensor

Entry Conditions
The test will be carried out when the engine load is between 20 and 60%, it is at least 180 minutes since start up. The exhaust temperature is assumed to be 800° C

________________________________________

FRONT SENSOR FUNCTION
In order to evaluate the front HO2S sensor(s), another test is carried out by the PCM. The response of the front HO2S sensor(s) is tested by entering a special 1.5 Hz square wave fuel routine. This routine drives the air/fuel ratio about stoichometry at a calibratable frequency and amplitude to produce a predictable response from the front HO2S (generally 0.8 volt, peak to peak). A slow response from the front sensor(s) below a threshold  produces the DTCs. A typical threshold would be <0.5 volts.

The test is carried out once per drive cycle and lasts approx 6 seconds.

P0133 Slow Response, Sensor, Bank 1

P0135 Slow Response, Sensor,  Bank 2

These tend to show that the HO2S sensors may be failing, and may often be associated with the Lack of Switch DTCs P0131/0132 and P0151/0152. Confusingly, this DTC can be shown as HO2S Circuit Slow Response - but the test refers to the sensor, not the circuit.

Sensors OK
The following sensors are checked and known to be good for this test to run.

bulletIAT - Inlet Air Temperature
bulletECT - Engine Coolant Temperature
bulletMAF - Mass Air Flow Sensor
bulletTPS - Throttle Position Sensor
bulletVSS - Vehicle Speed Sensor
bulletCKP - CranK shaft Position sensor.
bulletCMP - CaMshaft Position Sensor
bulletNo Misfire DTCs recorded.

________________________________________________

REAR SENSOR FUNCTION
The rear (downstream) HO2S sensors are treated rather differently. The peak and low voltages are also continuously monitored, but if the monitor has not detected a peak or low voltage beyond threshold, then the fuel/air mixture is forced high or low in order to get the sensors to start switching. If this sequence does not 'shock' the rear sensor(s) into switching, then a DTC is recorded.

P0136 No activity Bank 1

P0156 No activity Bank 2

Typical voltage thresholds are Rich <0.25 to 0.50 volts and Lean >0.40 to 0.65 volts.

_________________________________________

HO2S HEATER OPERATION
The HO2S heaters are tested for both Voltage and Current. A Heater voltage check is carried out by turning the heater on and checking the heater driver pin on the PCM for the correct voltage. This check can run at any time during normal vehicle operation.

The heater circuit current is tested by a separate circuit, and is sampled three times to guard against noise in the circuit. If two of these samples are below a threshold then the HO2S heater is deemed to have degraded. This test is carried out once per drive cycle.

DTCs
P0135 HO2S11 Heater Malfunction, Bank 1 

P0141 HO2S12 Heater Malfunction, Bank 1 

P0155 HO2S21 Heater Malfunction, Bank 2

P0161 HO2S22 Heater Malfunction, Bank 2 

______________________________________________________

CHARACTERISTIC SHIFT DOWN (CSD)
NOTE: In the event that the ceramic element on the HO2S sensor is cracked, raw fuel can contaminate the air reference side of the HO2S. Since the exhaust gas now contains more oxygen than the reference side of the sensor, the HO2S will return a negative value. This effect is called the Characteristic Shift Down, and where it is observed the affected sensor will have to be replaced.

__________________________________________

The HO2S Sensor

Above, a three-wire HO2S sensor. The 4-wire sensor has the addition of a dedicated case ground to the PCM. On the atmospheric side of the sensor an air intake opening provides the sample of atmosphere, which the sensor compares with exhaust gas from the Exhaust Gas Intake slots. This provides the reference voltage for the PCM.

Below, details of the sensor.

_____________________________________________________

TROUBLESHOOTING
Before suspecting the HO2S, the wire connection to the sensor should be checked first. Examine the wires for chafing. Then inspect the connector on the sensor for moisture or damage to the pins. Because the signal voltage is very low (less than 1 volt) the connection is sensitive to damp or poor connection. The heating voltage and current should also be checked and these connections should be clean and bright.

If a careful inspection of the wiring raises no concern log on to the PCM and take a reading of the sensors after warming the engine for at least 3 minutes (to allow closed loop to commence.) Several points should be borne in mind:

bulletA sensor should read high (0.6 to 0.9 volts) or low (0.1 to 0.4 volts.) It should never read 0.0 volts.
bulletOn V engines, do not compare the front sensors together - they will not show the same switching, nor should they - the two Banks of the engine are two separate fuelling cycles.
bulletAny sensor showing a negative value (-0.1 to -1 volts) is showing a CSD and the ceramic body has broken. The sensor must be replaced.
bulletA Front sensor HO2S11, 21, should be showing a regular 'switch' from high to low, at a frequency of about .7 seconds. Periods of 'flatlining' ie no switching, means that the sensor may be deteriorating and may need to be changed if DTCs are being generated.
bulletA front sensor that is not switching may not be faulty, even if DTCs are generated. Check the Long Term Fuel Trims (LTFT) - they may be consistently positive caused by an air leak, or either negative or positive by a faulty fuel pressure regulator, or negative caused by a faulty MAF sensor.
bulletA rear sensor HO2S 21, 22, operating correctly on a good catalyst should show a very slow switching.

Heater Circuit Malfunction
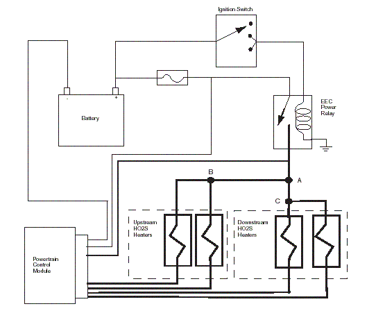
Receiving HO2S Heater DT codes P0141/P0161 and P0135/P0155 some additional work can be done to pinpoint the cause. In the event that DTCs demonstrate a concern with more than one heater at the same time then the owner must suspect a wiring rather than a sensor fault. There are only three main splices in the wiring between the PCM and the HO2S heaters and the following diagram will be useful:

Splice A provides the power for both upstream and downstream sensors. A wiring problem with this splice will produce the DTCs P0135/ P0155, P0141/P0161 together, (only 2 of those for four cylinder engines of course.)

Splice B provides the power to the Upstream (front) sensor(s) and generates the DTC P0135/P0155

Splice C provides the power to the downstream sensor(s) and will produce the DTC P0141/P0161

_______________________________________________________

OBOTO SYNDROME
One owner, Keith O, reports a peculiar symptom - One Bank Or The Other.

Keith had run his first OBD check with the Vehicle Explorer software on his 24V, which revealed that on one Bank the sensors were not switching at all - they were flatlined. This should mean that the sensors had failed, but curiously, when the sensors were changed for new ones the engine ran even worse. When the other Bank sensors were disconnected those flatlining sensors immediately started working perfectly. The engine ran badly with both banks connected, but as soon as one bank sensors were unplugged the car ran smoothly. This was a puzzle - and there is nothing about such a symptom in the manuals.

Eventually the Keith found the cause - the fuel INJectors had been reconnected wrongly on work carried out on the cylinder head before he had bought it. For information, the Injector connections are as follows:

INJECTOR CABLE           connects to                 INJECTOR
 
            1                                                                           1
            2                                                                           6
            3                                                                           5
            4                                                                           4
            5                                                                           3
            6                                                                           2

Once the wiring to the INJectors had been corrected the engine ran well and the OBD cycle was restored. One can only conjecture that the PCM detected that the Banks were switching mixture wrongly and would only maintain close-loop on one Bank at a time.

____________________________________________________

DRIVEABILITY CONCERNS
Because the Scorpio does not have a MIL light, an HO2S sensor may have failed without the owner being aware of it. Experience has shown that:

bulletIf the front sensor on a 4 cylinder or both front sensors on the 24V have failed the owner may experience hesitation at speed, clearing when the accelerator is depressed slightly - rough running, particularly when first selecting drive and on change of load, heavy fuel consumption (resulting from open loop fuelling) and a black exhaust pipe.
bulletIf a single front sensor on a 24V has failed there may be no symptoms noticeable at all, except slightly heavier fuel consumption and the emissions test at an MOT may be borderline. The resultant DTCs will be clear immediately one logs in with the Vehicle Explorer.
bulletIf the rear sensor(s) fail then the owner may be unaware of it. There may be no driveability concern and only a reading with the vehicle Explorer will show the DTCs.

____________________________________________________

Changing the HO2S Sensor
Removing a sensor is quite straightforward. The wires are unclipped, the multiplug pulled off and an open ended spanner is used to unscrew the sensor from the exhaust. This is quite tight and may need persuasion with a rubber mallet. For the pre-cat sensor on the 24V, space is quite tight. Steve C recommends the use of a cut-down spanner to get the leverage, reaching up from underneath to give the spanner a sharp tap with a metal pipe.

The new sensor is fitted in place and tightened to a torque of 42Nm. The wiring should be re-clipped carefully to prevent it from chafing.

Diagrams © Ford (Europe)

EricR

 

 

Copyright © 2003 www.fordscorpio.co.uk